-
Shopping cart is empty
-
x
For free delivery are missing
-,--
Free delivery!
Sum NET
0,00 €
Sum Gross
0,00 €
Price includes discounts
Wyprzedaż trwa!
0
your shopping cart
0,00 €
-
Shopping cart is empty
-
x
For free delivery are missing
-,--
Free delivery!
Sum NET
0,00 €
Sum Gross
0,00 €
Price includes discounts
-
Middle Clamp L:50mm with Grounding Pins Black
2.55
2.55
2.55
| The quantity in the package | 100 opak |
| Shipping within | 48 hours |
| Shipping price | The Lack Of |
| The Availability Of |
|
Order by phone: +48 720829292
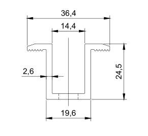
Center glue 50mm long with grounding pins black
Product features:
Height: 25mm Length: 50mm Material: aluminum grade EN-AW- 6005 according to PN-EN 573-3:2019, T5 alloy according to PN-EN 755-2:2016. Place of application: mounting photovoltaic panels with a frame thickness of 35-50mm
Safety Information
https://www.sklep.j-point.pl/upload/gk146/GPSR-SYSTEM-MONTAZOWY-Z-ECO-EN.pdf